1. Проплывая под мостом против течения, лодочник потерял соломенную шляпу. Обнаружив пропажу через 10 минут, он повернул назад, и ,проплыв по течению, подобрал шляпу в 1 км. от моста ниже по течению реки. Определить скорость течения.
(3 балла)

2.Тело, движущееся по гладкой горизонтальной поверхности со скоростью 2 м/с, встречает на своём пути наклонную плоскость, коэффициент трения которой равен 0.02. Определить, какой максимальной длины путь пройдёт тело до своей остановки по наклонной плоскости, если угол её наклона к горизонту равен 30.
(3 балла)

3.В системе, изображённой на рисунке, блоки невесомы, а нити невесомы и нерастяжимы. Найти ускорение подвижного блока.
(5 баллов)
4.В чайник объёмом 0.3 литра налита доверху вода, температура которой 30С. Чайник остывает на один градус за 5 минут. Для того чтобы чайник не остыл, в него капают горячую воду температурой 45С. Масса одной капли равна 0.2 грамма. Сколько капель в минуту должно капать в чайник, чтобы температура воды в нём оставалась равной 30С. Считать, что температура воды в чайнике выравнивается очень быстро. Лишняя вода выливается из носика. Температура окружающего воздуха равна 20С.
(5 баллов)
5.Однородная балка массой М и длиной L подвешена за концы на двух пружинах. Обе пружины в ненагруженном состоянии имеют одинаковую длину, но жёсткость левой в n раз больше жёсткости правой. На каком расстоянии x от левого конца балки надо подвесить груз массой m, чтобы она приняла горизонтальное положение.
(5 баллов)
Вариант 2
1.Через какой интервал времени от начала движения частица окажется в исходном положении.
(5 баллов)
2.В течение скольких земных суток Луна совершает один оборот вокруг Земли, если она движется по круговой орбите радиуса 3.8*10^8 м. Известно, что радиус Земли равен 6400 км., ускорение свободного падения на Земле 10м/с^2.
(5 баллов)
3. Человек массы 70 кг. поднимается по верёвочной лестнице к висящему в воздухе аэростату массой 350 кг. Когда ноги человека оторвались от Земли, аэростат находился на высоте 12 м. На какой высоте окажется человек, когда он доберётся до аэростата.
(5 баллов)

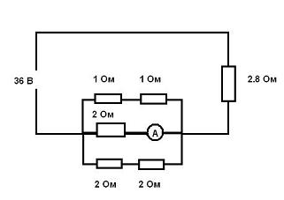
4.Найти силу тока в амперметре.
(5 баллов)
5. Для нагревания некоторой массы воды в электрочайнике от 22С до 100С потребовалось 5 минут. Удельная теплоёмкость воды равна 4.2 кДж/(кг*К). Удельная теплота парообразования 2.3 МДж. Через сколько минут после закипания вся вода в чайнике обратится в пар, если мощность подвода тепла к чайнику постоянна, а теплоёмкостью чайника и потерями тепла можно пренебречь?
(5 баллов)




